Build a Variable Voltage Supply for Cheap

written by Ross Wolin
 
 


This is a variable voltage 1.5A supply I threw together for bench experimenting for under $10. With a 24VDC wall wart, this board can produce anywhere from 23V to 1.2V


Introduction


I have an old power supply for benchwork that I salvaged out of VT100 sometime in the 80s. It produces 5V and +/-12V which is usually sufficient for my needs, although occassionally it would be nice to have 9V or 3.3V or (insert your favorite voltage.) Being basically cheap (we like to be known as "thrifty"), there's no way I'm going to buy a "real" linear supply, but after I little investigation I came up with this low-budget alternative that works for me using a wall wart and a few components.


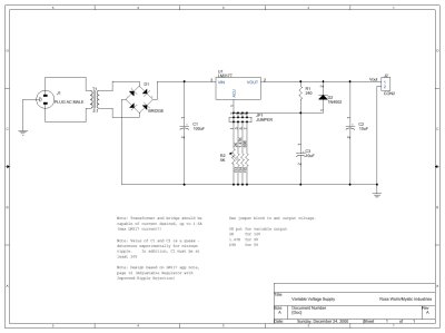
Circuit

Click on schematic for a PDF version.
(You'll need Adobe Acrobat Reader for this: if you don't have it, download a free copy.)

This circuit is based on an Adjustable Regulator design from National Semiconductor's LM317 datasheet. Everything from the wall plug to the diode bridge can be had inside a typical wall wart (I found a wide assortment of these at a second hand store for $1.29 each.) Most wall warts have a capacitor inside too, although it doesn't hurt to add an extra one (C1) on the circuit board.

The jumper block selectable resistors are an improvement I made to allow me to easily select between several fixed voltages. First I built the circuit with only R2, adjusting it for each desired voltage (i.e. 12V, 9V, 5V) at the output, each time powering off the circuit, disconnnecting the jumper and measuring R2's resistance with an ohmmeter. When you build your supply, you could just as easily skip the jumper block and only install R2 if you just want an adjustable supply. If you decide to add the "quick selection resistors" as I did you will need to determine your values experimentally unless you use exactly the same wall wart and choose exactly the same voltages I did (it's unlikely you will.)

Note: R3-R5 are not installed on the board in the photos


Construction

I built this circuit in an evening using an experimenter's board from Radio Shack. I also found a mating power connector at "The Shack" for the specific wall wart I used, but if you can't find one it's probably just as easy to cut the power connector off the wall wart and solder the wires directly to the board.

The screws at the board's corners are 1/2" #6 machine screws with nuts holding them to the board. I like to use these for legs (you could also use standoffs) to keep the wiring on the underside of the board off the table.

The blue pot is a 20 turn 5K part I used this because I wanted to adjust the output voltage with extreme accuracy: a cheaper substitute may be sufficient for your needs.


Q&A

Q: Where can I get a wall wart without touching a wall frog?
A: I got mine at the Salvation Army Thrift store for $1.29. They had a whole wall of them. Try to find one that is rated for about 1V higher than the highest voltage you want to produce, and as much current as you are going to want. I was lucky to find a 24V, 1.5A wall wart, as 1.5A is the current limit for the LM317T and 30V is the max voltage it can produce. The power supply will work just fine with a lower voltage wall wart, but the highest voltage you will be able to produce is about 1V less than the wall wart output voltage. Also be careful not to exceed the wall wart's current rating.

Q: Shouldn't that LM317 be heat sinked?
A: Probably - I like to live dangerously. I did make sure that it doesn't contact any other circuit components and will probably not pull more than 500mA from it, at the most. It certainly wouldn't hurt to heat sink it and it will most certainly last longer if you do.

Q: Where can I get more information on the LM317?
A: National Semiconductor has a datasheet for it on their website which shows many additional applications.

Q: Where did you get the parts?
A: The protoboard and power connector came from Radio Shack. The wall wart was from the "Salvation Army Thrift Store." I mail ordered the rest of the parts from Digikey.


Well?

Did you like this article?
Were you inspired enough to build your own power supply?
Let me know!